| 计价单位 | 吨 |
|---|---|
| 基础建材工艺 | 电泳 |
| 适用对象 | 其他/other |
| 品牌 | 豫皓 |

国标30角槽连接件 内置1212年终大促¥ 2 立即**
铝型材2020盖板 工业1212年终大促¥ 0 立即**
国标4080铝型材轻型 1212年终大促¥ 55 立即**
新品铝型材3030国标工1212年终大促¥ 32 立即**
新品铝型材3030国标工1212年终大促¥32立即**
新品工业铝型材30401212年终大促¥40立即**
新品特价2060欧标工业1212年终大促¥28立即**
特价国标4040轻型铝型1212年终大促¥25立即**
| 温馨提示 |
本店型材价格均为每米的单价不含税,如需开**请提前告知,需加10%的增值税钱。 |



参考配件:点击图片进入链接
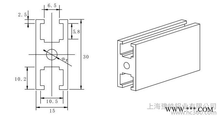
盖板:YH-EC1530

配套角件链接:

配套角槽连接件链接:










